Partlow Spare Parts
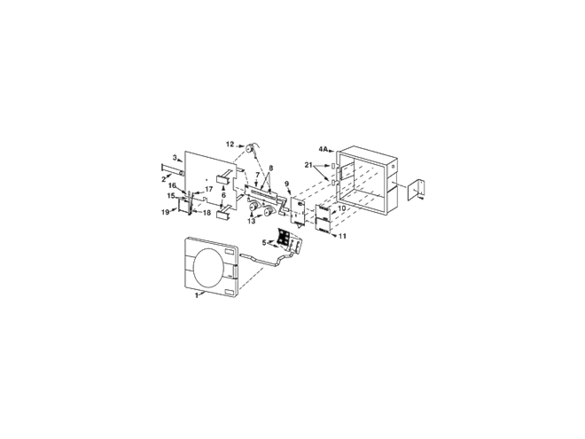
PDF file with complete list of spare parts. Includes dismantled product illustrations.

- SPAREPARTS
- By Partlow
Overview
Need Help? Call a Temperature engineer at 1-800-884-4967
We're open Mo-Th 8am to 5:30pm. Fr 8am to 5pm ET
We're open Mo-Th 8am to 5:30pm. Fr 8am to 5pm ET